Övergripande produktintroduktion
Vertikala drivhjul, även kända som vertikala drivenheter, är nyckelkomponenter i AGV (Automated Guided Vehicles).
Designade för integrerad elektromekanisk funktionalitet kombinerar de drivmekanismer, styrning, hastighet och positionsåterkoppling, gränsdetektering och bromssystem i en kompakt enhet.
Genom att montera drivmotorn vertikalt ger den här designen miljöisolering- vilket gör den särskilt lämplig för specialiserade applikationer som hantering av farligt material, där explosionssäkra krav är kritiska-.
Med förmågan att utföra 360 graders styrning möjliggör dessa hjul smidig navigering även i trånga eller trånga utrymmen.

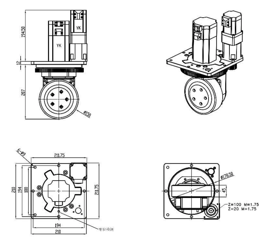
1. Servomotorkontroll Vertikalt hjul för Agv
TYLD150-seriens vertikala drivhjul, med sin kompakta diameter på 150 mm, är konstruerad för smidiga AGV-system som kräver exakt manövrerbarhet i trånga utrymmen. Med en lastkapacitet på upp till 500 kg och ett mångsidigt effektområde på 400-750 W ger den pålitlig prestanda för automatisk materialhantering och små till medelstora robotapplikationer. Dess integrerade dragmotor med dubbla-kodare säkerställer hög-positionering och förbättrad driftsäkerhet, vilket gör den till en idealisk lösning för utrymmeskänslig industriell automation.
◆ Hjuldiameter: 150 mm
◆ Max belastning: 500KG
◆ Ingångsspänningsområde: 24-560V
◆ Drivmotoreffekt: 400~750W
◆ Dragkraftsutväxling: 18,9
◆ Traction Motor stöder Dual Encoder, uppnår upp till PL=Dcategory 2 funktionell säkerhet under EN lS0 13849-1

2. Vertikalt AGV-drivhjul TYLD230 med 1500KG Kapacitet
Det här 230 mm tunga-drivhjulet i ratten ger balanserad kraft och precision för automatisering i medel-till-stor skala. Med en lastkapacitet på 1500KG och ett brett motorområde på 1000W–3000W, anpassar den sig sömlöst till varierande driftskrav i AGV- och robotapplikationer. Med dubbla utväxlingsförhållanden (22/27) för optimerad hastighet eller vridmomentprestanda och i enlighet med EN ISO 13849-1 PL=D säkerhetsstandarder, säkerställer den både flexibilitet och tillförlitlighet i dynamiska industriella miljöer.
◆ Hjuldiameter: 230 mm
◆ Max belastning: 1500KG
◆ Ingångsspänningsområde: 24-560V
◆ Drivmotoreffekt: 10ooW~30ooW
◆ Traction Gear Common Ratio: 22/27
◆ Dragmotor stöder dubbel kodare, uppnår upp till PL=D, kategori 2 funktionell säkerhet enligt EN ISO 13849-1

3. 300 mm vertikal AGV-ratt med 2000 kg belastning
Det vertikala drivhjulet på 300 mm är konstruerat för smidiga och- AGV-applikationer med hög kapacitet och ger 2000 kg laststöd med konfigurerbar motoreffekt på upp till 5000W. Dess dubbla utväxlingsförhållanden (11/22) erbjuder flexibel anpassning för vridmoment eller hastighetsbetoning, vilket gör den idealisk för kompakta layouter och dynamiska materialhanteringsmiljöer. Det här hjulet är designat med en utrymmes-effektiv vertikal motororientering och möjliggör exakt manövrerbarhet utan att kompromissa med den strukturella integriteten i automatiserade styrda system.
◆ Hjuldiameter: 300 mm
◆ Max belastning: 2000KG
◆ Ingångsspänningsområde: 24-560V
◆ Drivmotoreffekt: 400oW/500oW
◆ Traction Motor Gear Common Ratio: 11/22
◆ Dragmotor stöder dubbel kodare, uppnår upp till PL=D, kategori 2 funktionell säkerhet enligt EN ISO 13849-1

Tre kärnfördelar
1. Premiummaterial · Pålitlig kvalitet
Vi använder bara råvaror av-hög kvalitet och tillämpar strikta kvalitetskontrollstandarder för att säkerställa hållbarhet och konsekvent prestanda.
2. För-installerad och stödd · Problemfri-upplevelse
Nyckelkomponenter är förinstallerade- före leverans. Du kommer också att få en installationsvideo efter köpet för enkel installation och verifiering.
3. Ergonomisk design · Lätt att använda
Produkten är designad med användarvänlighet i åtanke och kan enkelt styras via ett handtag, vilket gör den idealisk för gaffeltruckapplikationer och andra scenarier.
Vår tjänst
Cskräddarsydda lösningar:Fullständig OEM/ODM-support skräddarsydd efter dina specifika krav.
Flexibelt urval:Provbeställningar tillgängliga för validering innan volymproduktion.
Rsnabbt svar:Vi garanterar svar inom 24 timmar på alla förfrågningar.
Eoch-till-avsluta support:Från leveransspårning till post{0}}kvittotestning, vi stannar hos dig. Feedback välkomnas och eventuella produktproblem kommer att lösas med snabba, handlingsbara lösningar.
Ttekniskt partnerskap:Utöver produkter tillhandahåller vi expert teknisk support och systemdesignhjälp för att hjälpa dig att uppnå optimal integration och prestanda.
Populära Taggar: vertikala drivhjul, Kina vertikala drivhjul tillverkare, leverantörer, fabrik




