105 mm AGV-ratt
Introducerar hög-elektriska hjul med 105 mm diameter och 400 W dragmotorer, som stöder upp till 300 kg maxlast. Dessa hjul har ett brett inspänningsområde på 24-560V och flera utväxlingsförhållanden (16/24/32) och erbjuder pålitlig och säker prestanda. De stöder dubbla omkodare och uppnår upp till PL=D, kategori 2 funktionell säkerhet enligt EN ISO 13849-1 standarder, vilket säkerställer precision och hållbarhet.
Huvudparameterintervall:
◆ Hjuldiameter: 105 mm
◆ Max belastning: 300 kg
◆ Ingångsspänningsområde: 24-560V
◆ Drivmotoreffekt: 4oow
◆ Traction Gear Common Ratio: 16/24/32
◆ Dragmotor stöder dubbel kodare, uppnår upp till PL=D, kategori 2 funktionell säkerhet enligt EN ISO 13849-1.

AGV 400W kraftintegrerat elektriskt hjul
Detta robusta 125 mm elektriska hjul stöder en maxlast på 350 kg med sin 400W dragmotor, idealisk för AGV:er och mobila robotar. Den har ett brett 24-560V inspänningsområde och justerbara 16/24/32 utväxlingar för flexibel kontroll. Med stöd för dubbla kodare uppnår den PL=D, kategori 2-säkerhet (EN ISO 13849-1) för pålitlig industriell automation.
Huvudparameterintervall:
◆ Hjuldiameter: 125 mm
◆ Max belastning: 350 kg
◆ Ingångsspänningsområde: 24-560V
◆ Drivmotoreffekt: 4oow
◆ Traction Gear Common Ratio: 16/24/32
◆ Dragmotor stöder dubbel kodare, uppnår upp till PL=D, kategori 2 funktionell säkerhet enligt EN ISO 13849-1

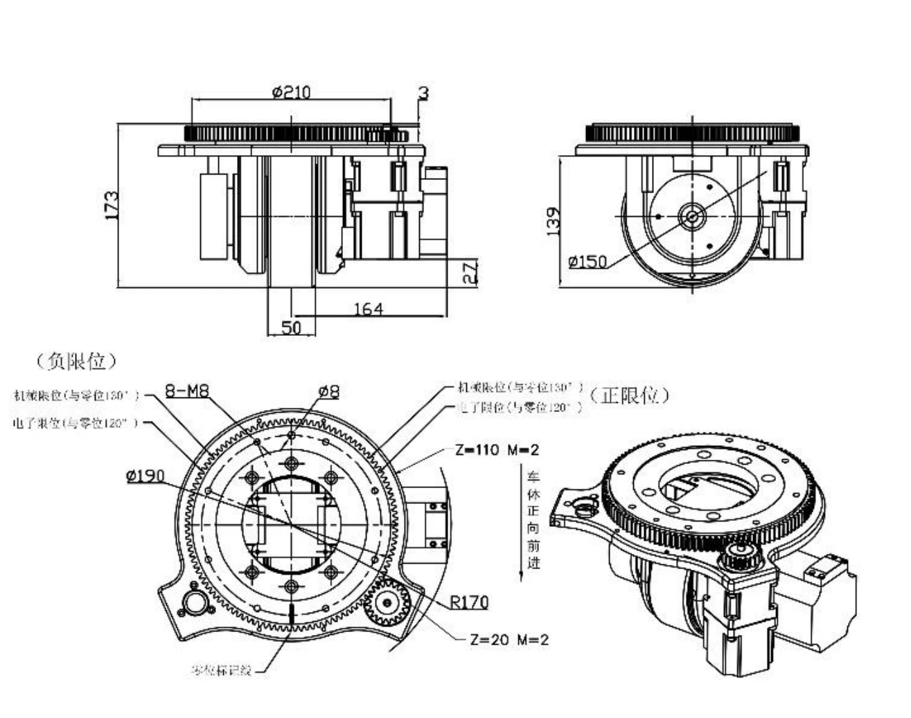
600 kg lastrobotplattformsmotorhjul med styr
Med en robust kapacitet på 600 kg och en kraftfull 400-1000 W motor är detta 150 mm kraftiga elektriska drivhjul designat för intensiva automationsuppgifter. Dess breda 24-560V ingångsområde och valbara 20/32 utväxlingsförhållanden säkerställer tillförlitlig prestanda i krävande AGV-applikationer.
◆ Hjuldiameter: 150 mm
◆ Max belastning: 600 kg
◆ Ingångsspänningsområde: 24-560V
◆ Drivmotoreffekt: 400~10oow
◆ Traction Gear Common Ratio: 20/32
◆ Dragmotor stöder dubbel kodare, uppnår upp till PL=D, kategori 2 funktionell säkerhet enligt EN ISO 13849-1

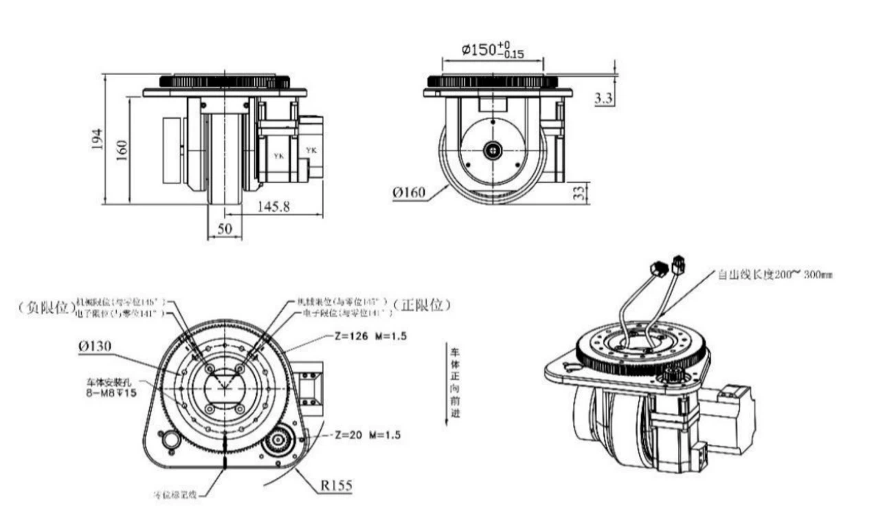
Max 1000 kg last mobil robotratt
Denna 160 mm elektriska hjulserie är mycket konfigurerbar och erbjuder kapaciteter från 350KG till 1000KG med en motsvarande 400-1000W motor. Dess mångsidighet förstärks av ett 24-560V driftsområde och 20/32 utväxlingsalternativ, vilket gör den lämplig för skalbara robotsystem.
◆ Hjuldiameter: 160 mm
◆ Max belastning: 350KG/800KG/1000KG
◆ Ingångsspänningsområde: 24-560V
◆ Drivmotoreffekt: 400~10ooW
◆ Traction Gear Common Ratio:20/32
◆ Dragmotor stöder dubbel kodare, uppnår upp till PL=D, kategori 2 funktionell säkerhet enligt EN ISO 13849-1



Produktapplikation
Användningsfall: AGV,AMR, gaffeltruck, chassi, fjärrstyrt-chassi, automatiskt styrt fordon, automatisk mobil robot
Populära Taggar: liten ratt, Kina små ratttillverkare, leverantörer, fabrik



